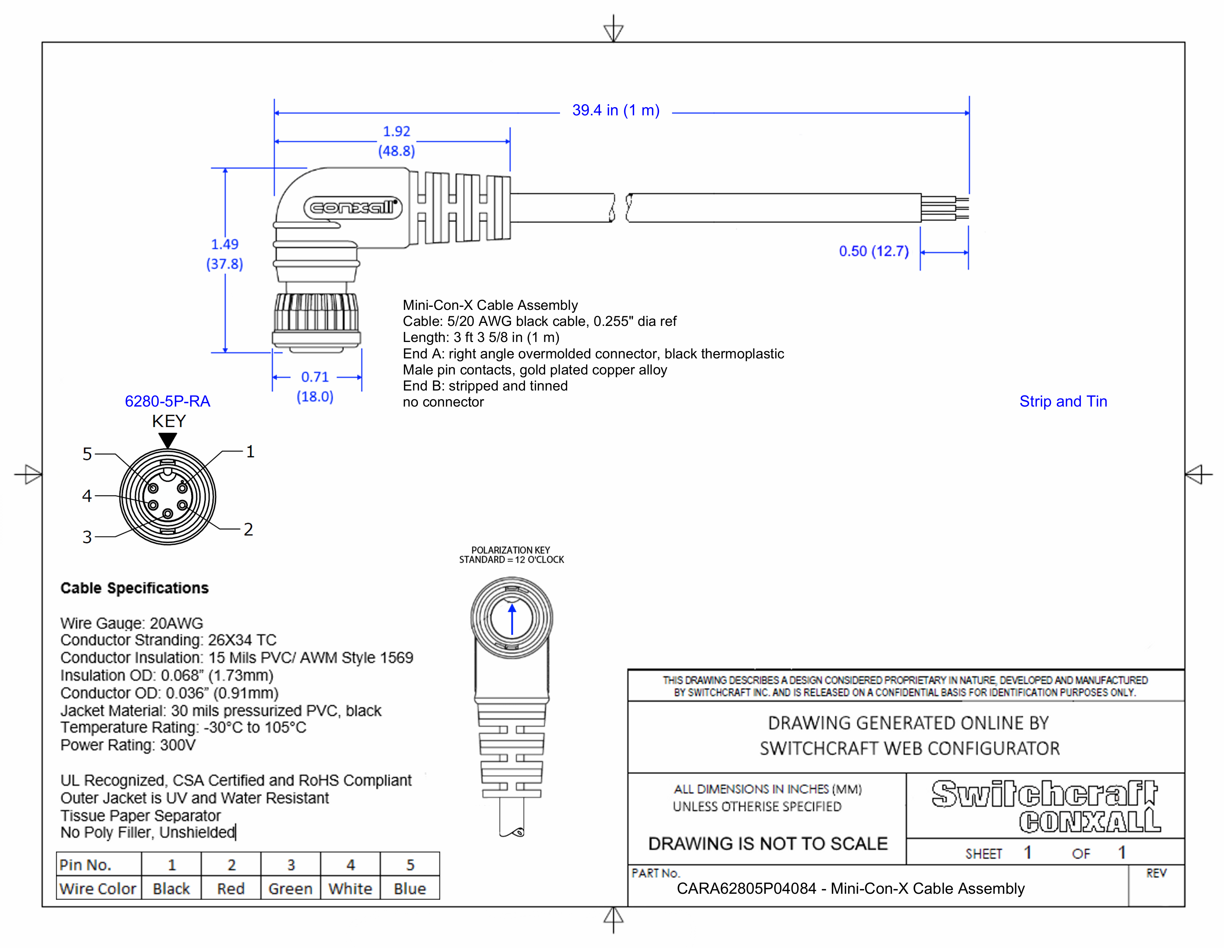
CARA62805P04084

Mini-Con-X Cable Assembly, 5 Position Right Angle, Male to Strip and Tin, 1 Meter

CARA62805P04084
Out of stock
Drawings:
 

Buy Now

View More From This Family