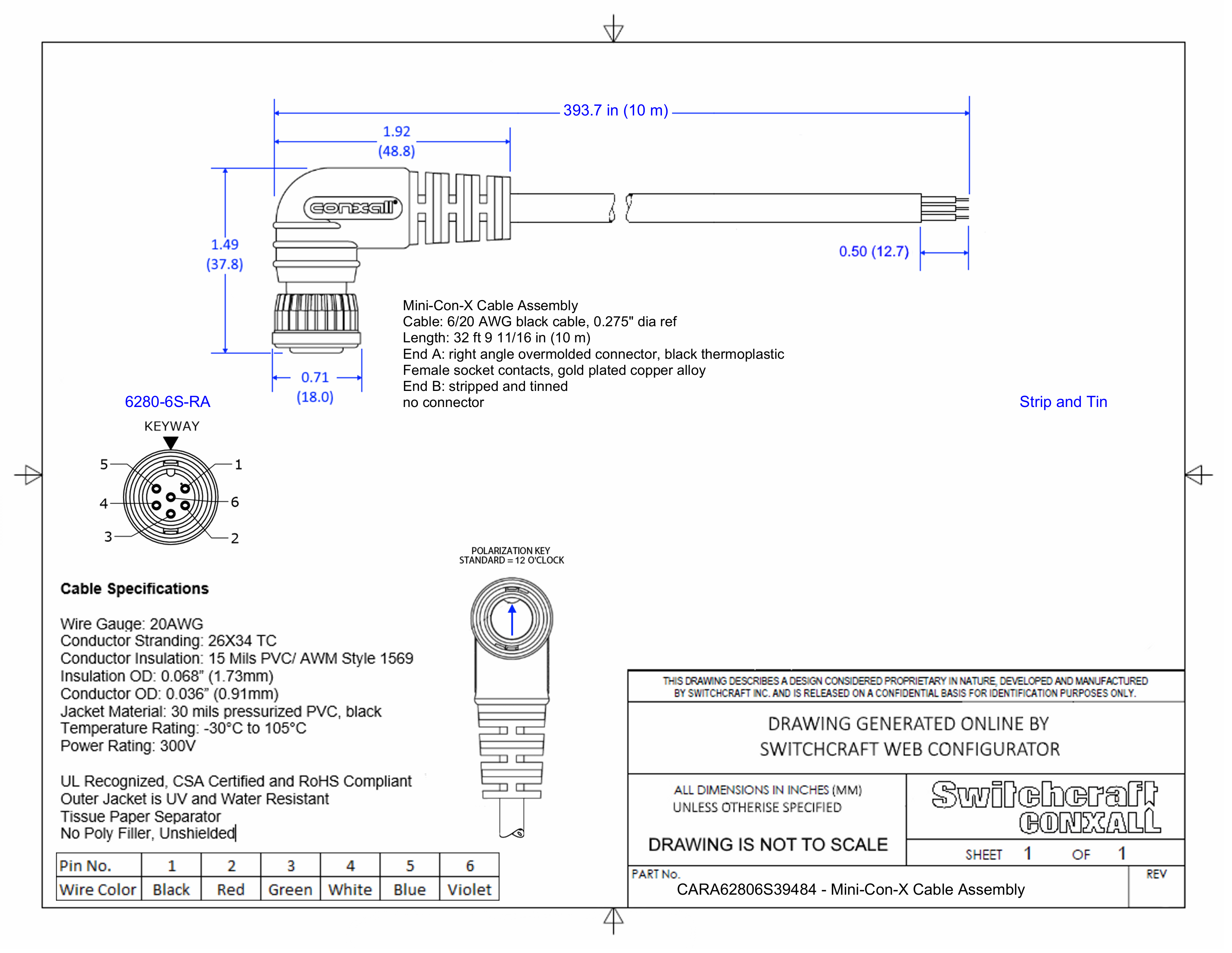
CARA62806S39484

Mini-Con-X Cable Assembly, 6 Position Right Angle, Female to Strip and Tin, 10 Meter

CARA62806S39484
Out of stock
Drawings:
 

Buy Now

View More From This Family