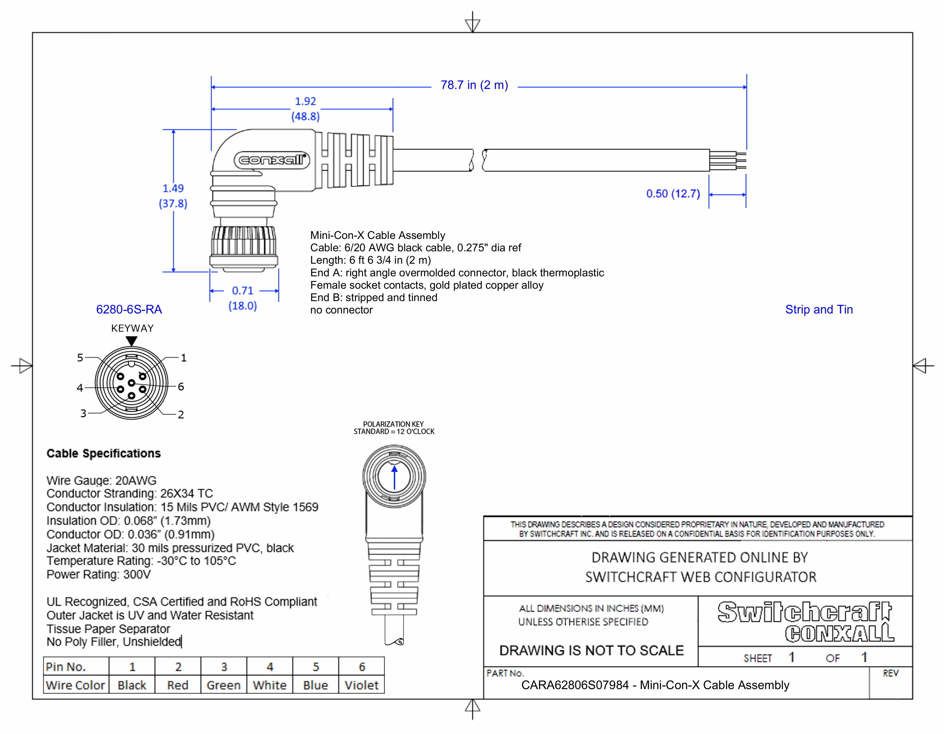
CARA62806S07984

Mini-Con-X Cable Assembly, 6 Position Right Angle, Female to Strip and Tin, 2 Meter

CARA62806S07984
Drawings:
 

Buy Now

View More From This Family