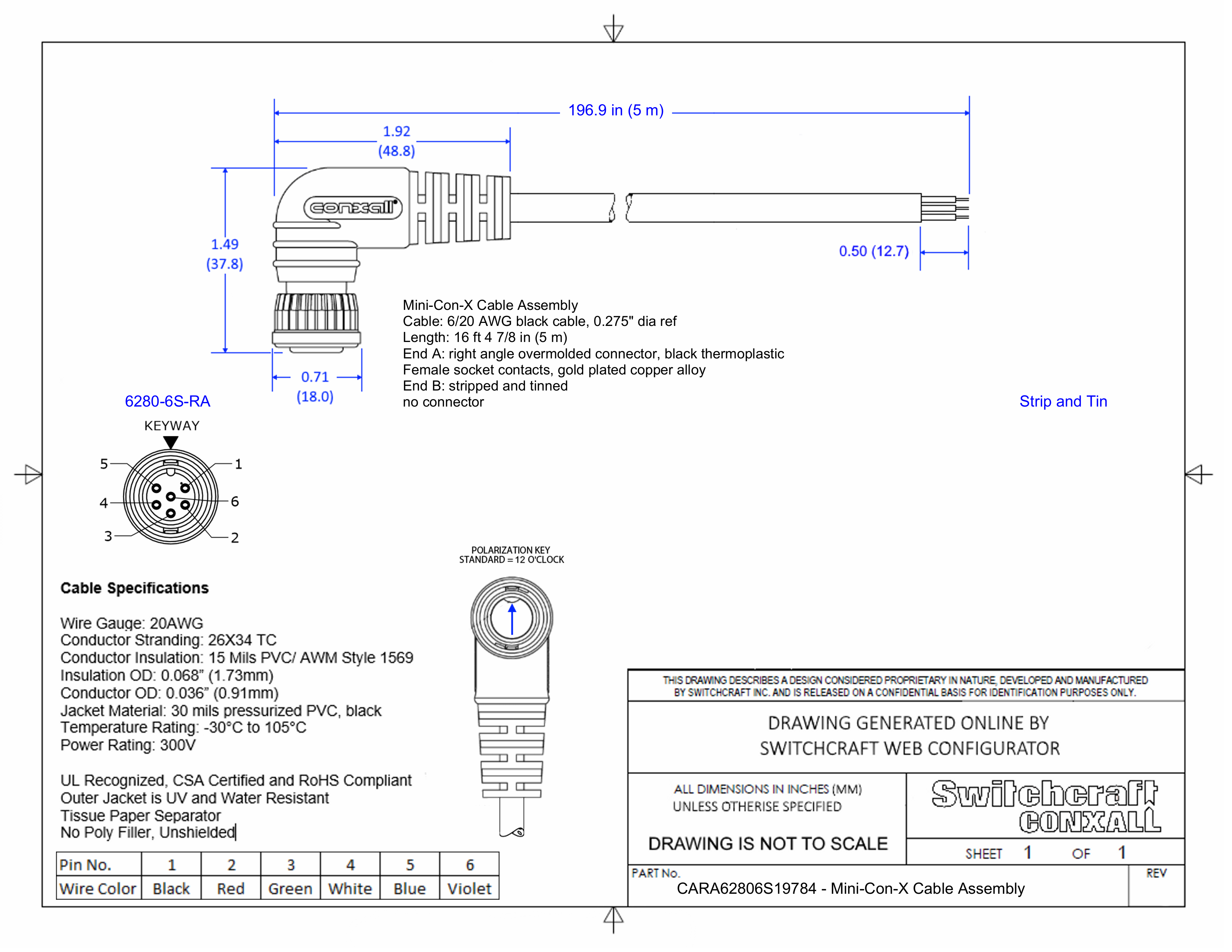
CARA62806S19784

Mini-Con-X Cable Assembly, 6 Position Right Angle, Female to Strip and Tin, 5 Meter

CARA62806S19784
Drawings:
 

Buy Now

View More From This Family