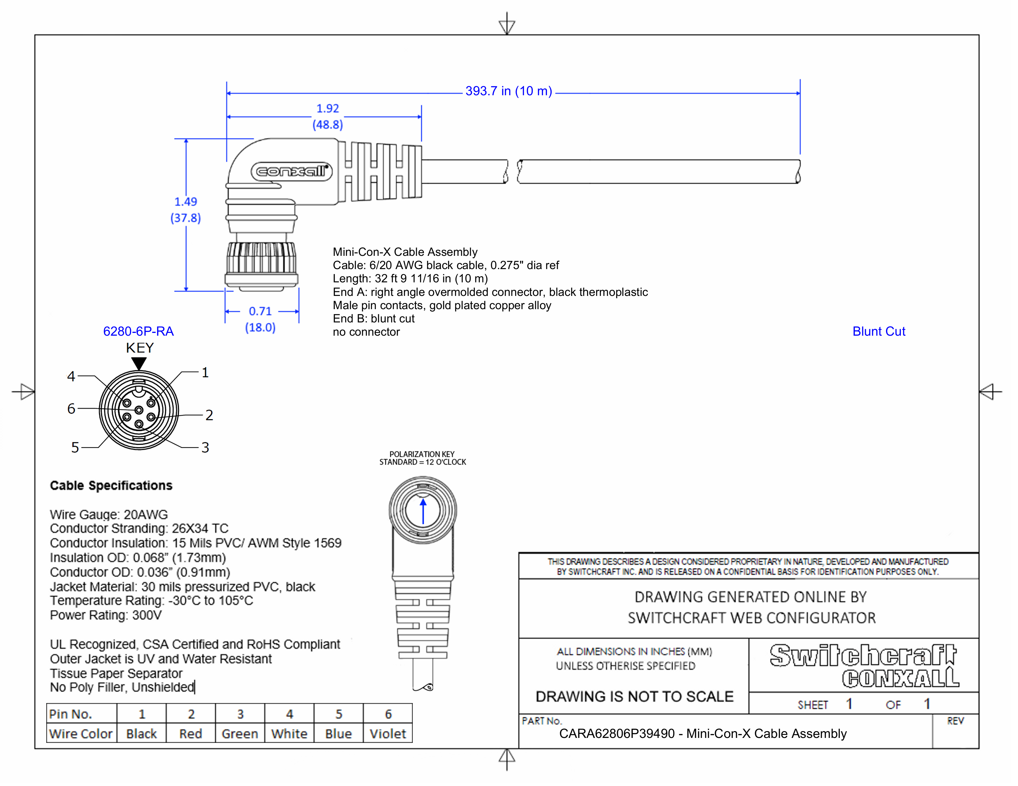
CARA62806P39490

Mini-Con-X Cable Assembly, 6 Position Right Angle, Male to Blunt Cut, 10 Meter

CARA62806P39490
Drawings:
 

Buy Now

View More From This Family