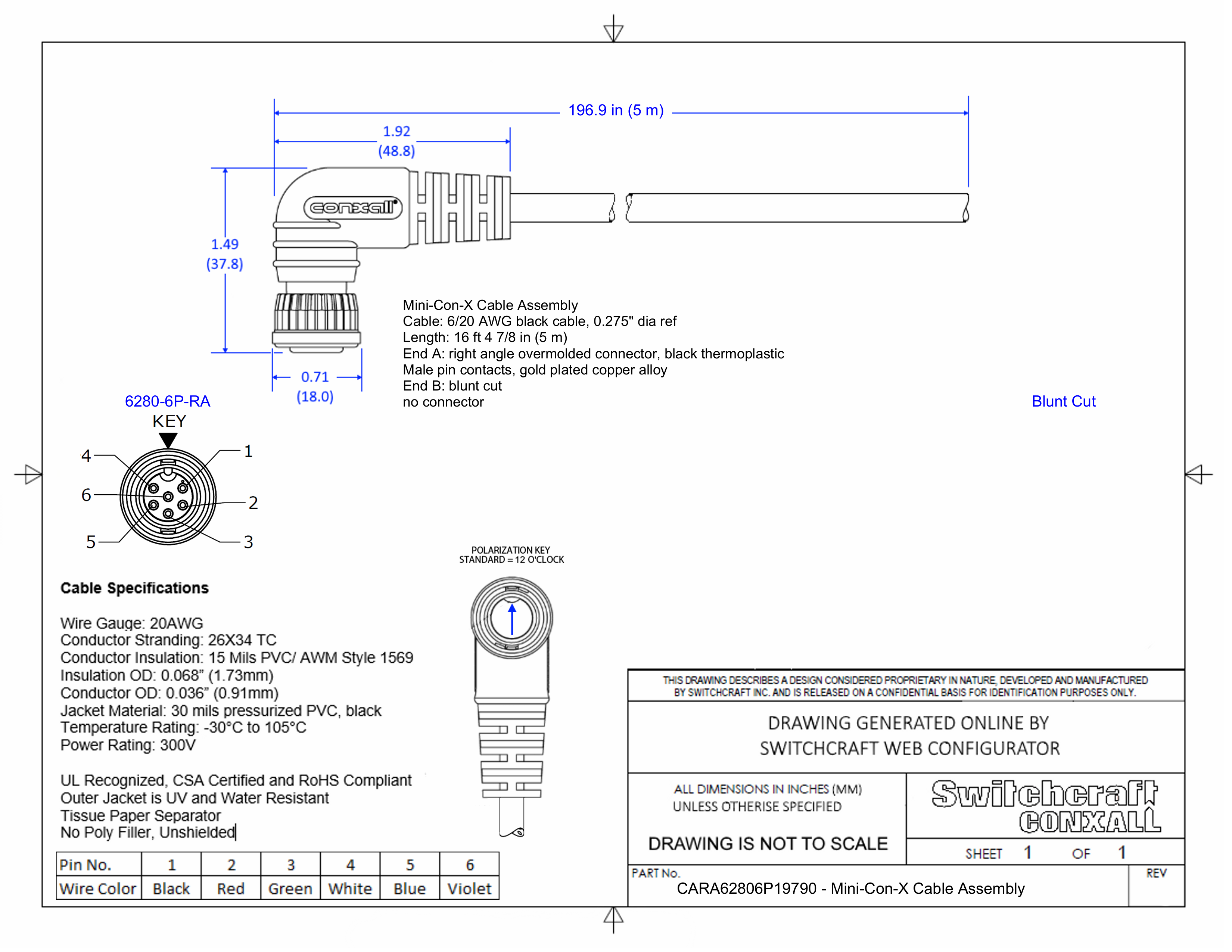
CARA62806P19790

Mini-Con-X Cable Assembly, 6 Position Right Angle, Male to Blunt Cut, 5 Meter

CARA62806P19790
Out of stock
Drawings:
 

Buy Now

View More From This Family