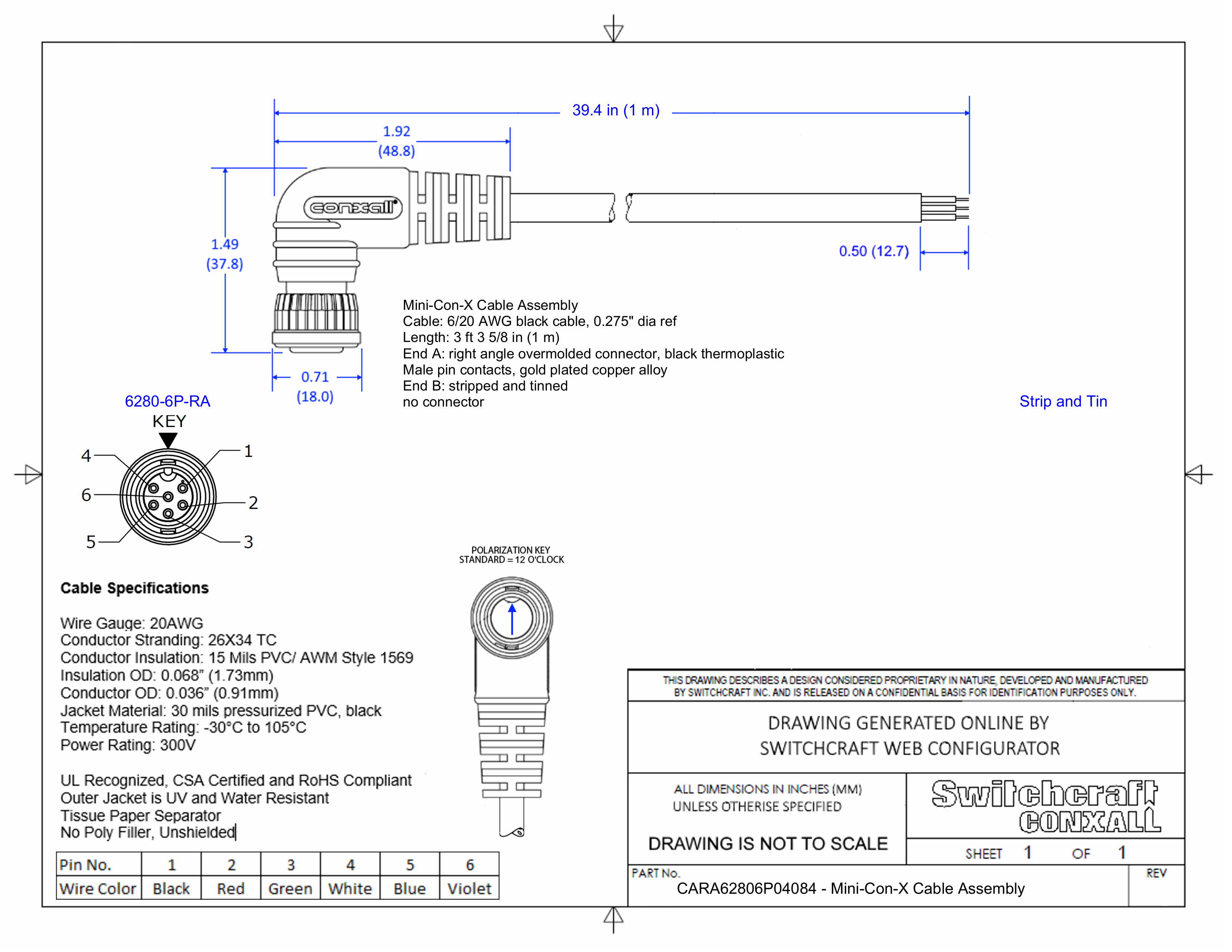
CARA62806P04084

Mini-Con-X Cable Assembly, 6 Position Right Angle, Male to Strip and Tin, 1 Meter

CARA62806P04084
Drawings:
 

Buy Now

View More From This Family