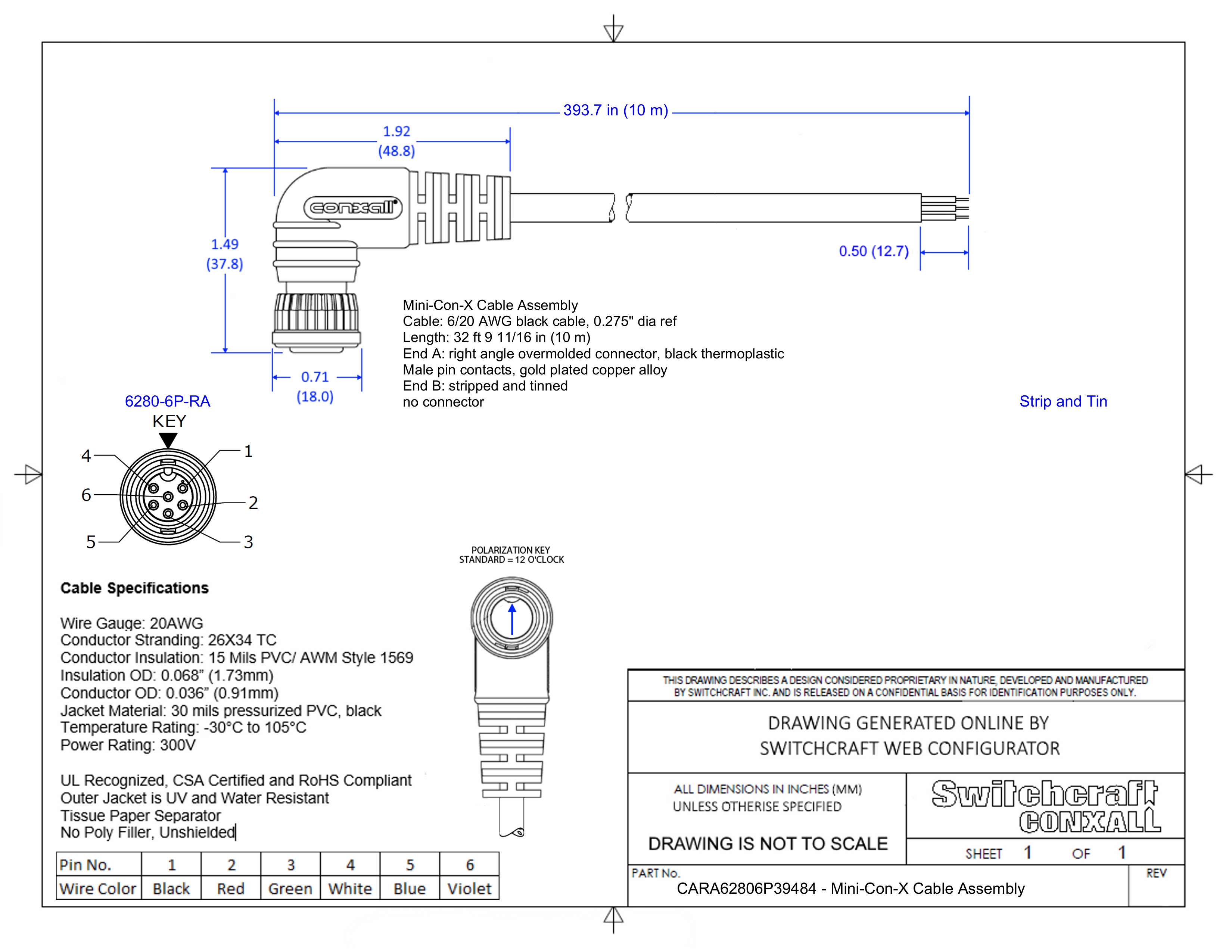
CARA62806P39484

Mini-Con-X Cable Assembly, 6 Position Right Angle, Male to Strip and Tin, 10 Meter

CARA62806P39484
Drawings:
 

Buy Now

View More From This Family