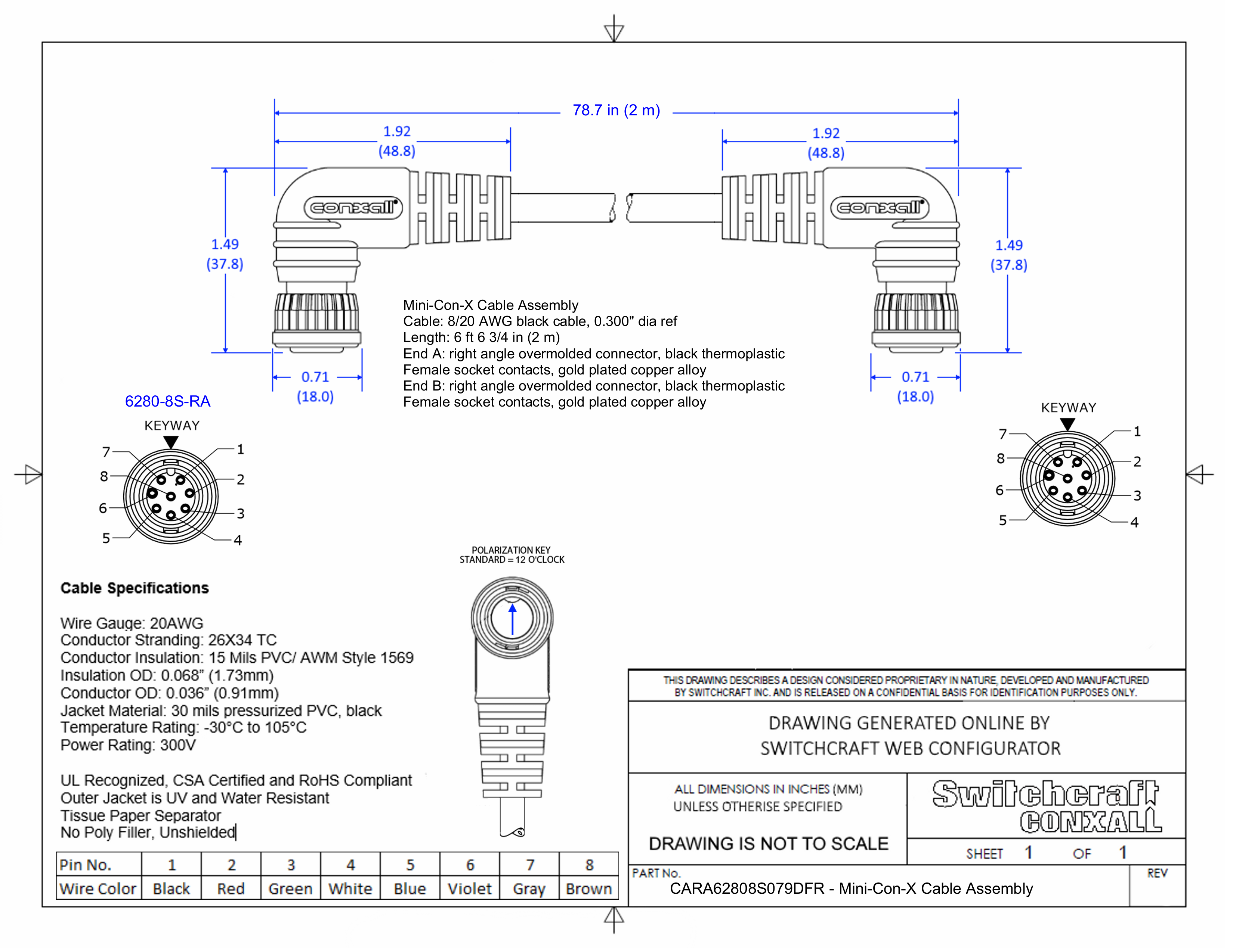
CARA62808S079DFR

Mini-Con-X Cable Assembly, 8 Position Right Angle, Female to Right Angle Female, 2 Meter

CARA62808S079DFR
Drawings:
 

Buy Now

View More From This Family